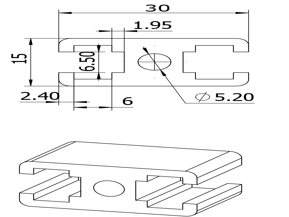
货物名称:1530门框型材
货物编号:KFCBR1530




1、适用于设备框架及支撑使用。 2、便于搭接,使用便捷。 3、两面凹槽可布置紧固件。
| 型号 | 名称 | 规格 | 材质 | 长度 |
| mm | m/根 | |||
| KFCBR1530 | 1530门框型材 | 15*30 | A6063 | 3 |
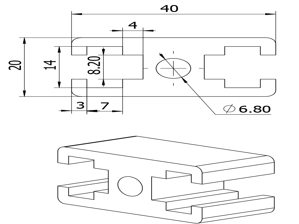
| KFCBR2040 | 2040门框型材 | 20*40 | A6063 | 3 |