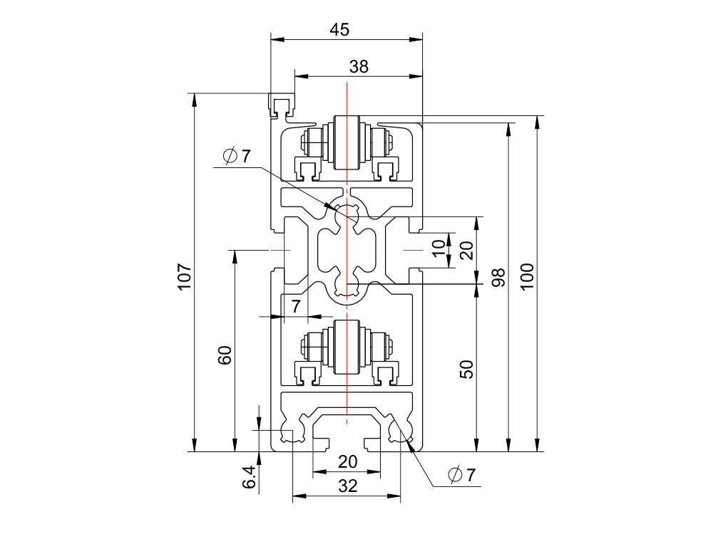
货物名称:08BS倍速链输送梁(轻型)
货物编号:KFBS08DG2

  1. 1、适用于08BS输送带的直线输送轨道。
  2. 2、配合垫片卡扣,防止脱落。
  3. 3、左右下三面凹槽,可布置紧固件或连接条。
型号 名称 规格 材质 长度
mm m/根
KFBS08DG2 轻型单倍速输送梁 105*45 6063 3


上一篇:08BS倍速链输送梁
下一篇: