搜索产品...
首页
关于我们
产品中心
输送机设备选型
柔性链输送系列
单倍速链系列
2.5 倍速链系列
3 倍速链系列
同步带输送系列
片基带输送系列
平顶链输送系列
网带链输送系列
弯板链输送系列
铝型材支撑梁
新闻中心
联系我们
其它配件
首页
>
产品中心
>
柔性链输送系列
>
柔性链护栏
>
其它配件
>
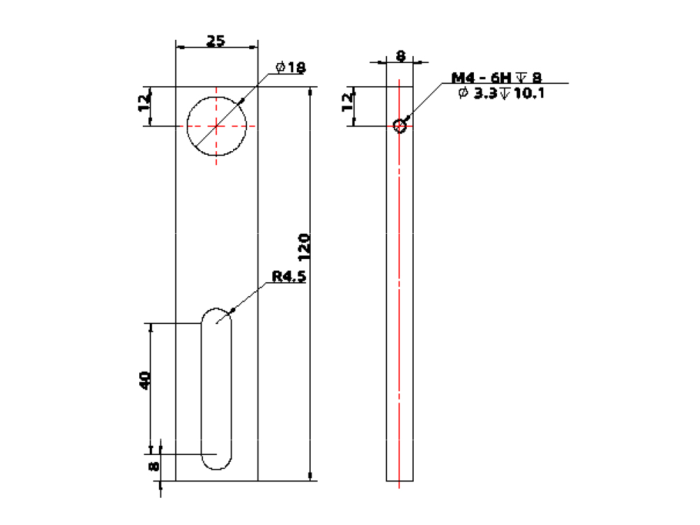
货物名称:钢条支架(短款)
货物编号:KFLRCS120
2025-12-24
1、适用于设备支架结构部件。
2、通过固定顶丝夹紧圆棒。
型号
名称
材质
长度
孔径
mm
mm
KFLRCS120
钢条支架(短款)
45#
120
18
上一篇:
铝管塞
下一篇:
钢条支架(长款)
产品类别
输送机设备选型
柔性链输送系列
单倍速链系列
2.5 倍速链系列
3 倍速链系列
同步带输送系列
片基带输送系列
平顶链输送系列
网带链输送系列
弯板链输送系列
铝型材支撑梁