搜索产品...
首页
关于我们
产品中心
输送机设备选型
柔性链输送系列
单倍速链系列
2.5 倍速链系列
3 倍速链系列
同步带输送系列
片基带输送系列
平顶链输送系列
网带链输送系列
弯板链输送系列
铝型材支撑梁
新闻中心
联系我们
其它配件
首页
>
产品中心
>
柔性链输送系列
>
柔性链护栏
>
其它配件
>
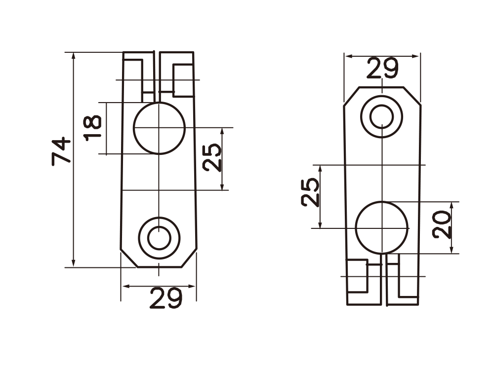
货物名称:大十字承夹
货物编号:KFLRCB1820
2025-12-23
1、适用于设备支架结构部件。
2、通过固定螺栓夹紧圆棒。
3、避免过渡锁紧,以免破坏本体及紧固件螺丝。
型号
名称
颜色
材质
孔径1
孔径2
主体
紧固件
mm
KFLRCB1820
大十字承夹
黑色、灰色
PA6
SUS202/SUS304
18
20
上一篇:
护栏开口夹
下一篇:
18十字承夹
产品类别
输送机设备选型
柔性链输送系列
单倍速链系列
2.5 倍速链系列
3 倍速链系列
同步带输送系列
片基带输送系列
平顶链输送系列
网带链输送系列
弯板链输送系列
铝型材支撑梁