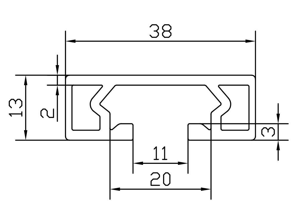
货物名称:38*13护栏型材
货物编号:KFLRS38X13

  1. 1、适用于输送托盘两侧导轨。
  2. 2、表面平整,且便于加工。
  3. 3、底部凹槽可布置连接紧固件。
型号 材质 长度
38*13护栏型材 m
KFLRS38X13 A6063 3


上一篇:80连接套
下一篇: