搜索产品...
首页
关于我们
产品中心
输送机设备选型
柔性链输送系列
单倍速链系列
2.5 倍速链系列
3 倍速链系列
同步带输送系列
片基带输送系列
平顶链输送系列
网带链输送系列
弯板链输送系列
铝型材支撑梁
新闻中心
联系我们
其它配件
首页
>
产品中心
>
柔性链输送系列
>
柔性链护栏
>
其它配件
>
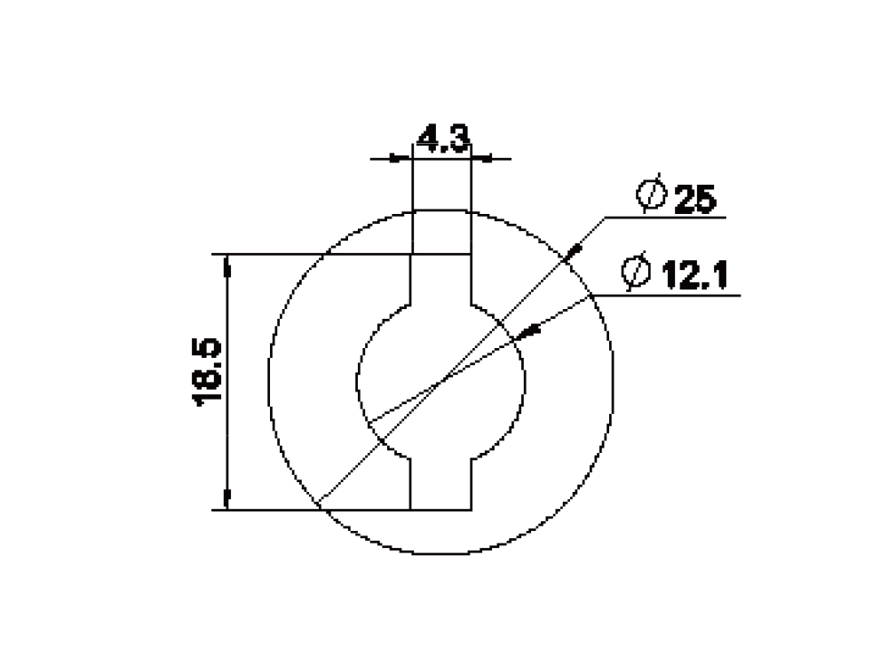
货物名称:调宽座连接轴
货物编号:KFASAG
2025-12-22
1、适用于宽度调节结构扭力的传递。
2、内槽与伸出轴上开口销相适配。
3、3米/根,可截断使用。
型号
长度
材质
调宽座连接轴
m
KFASAG
3
A6063
上一篇:
夹持调宽座C型支架
下一篇:
KF方螺母
产品类别
输送机设备选型
柔性链输送系列
单倍速链系列
2.5 倍速链系列
3 倍速链系列
同步带输送系列
片基带输送系列
平顶链输送系列
网带链输送系列
弯板链输送系列
铝型材支撑梁