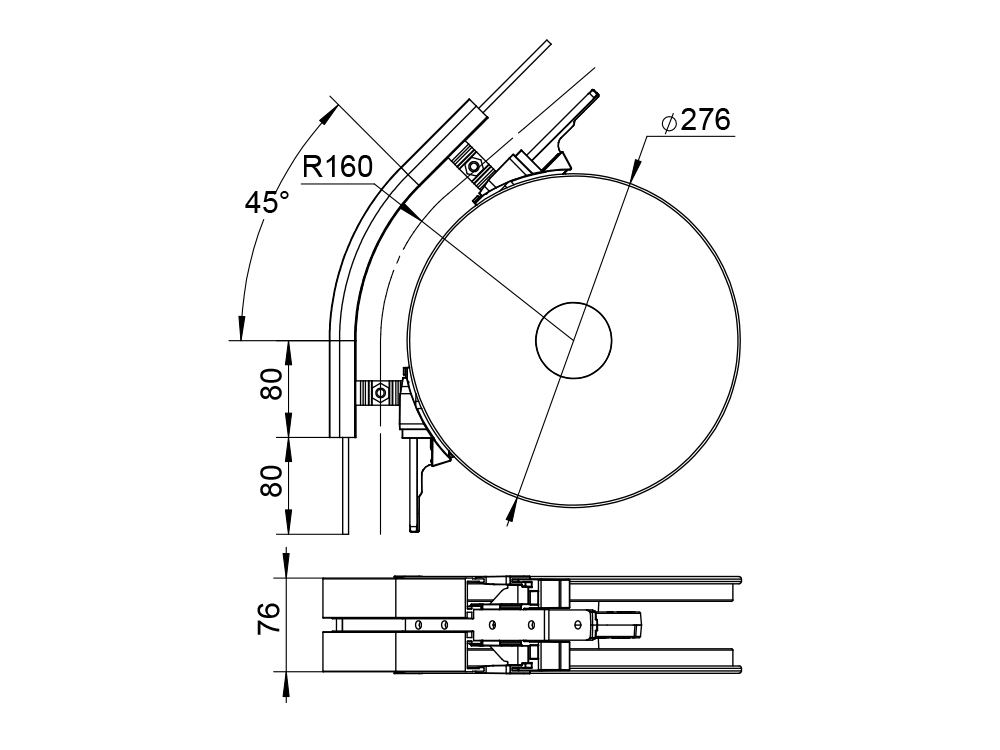
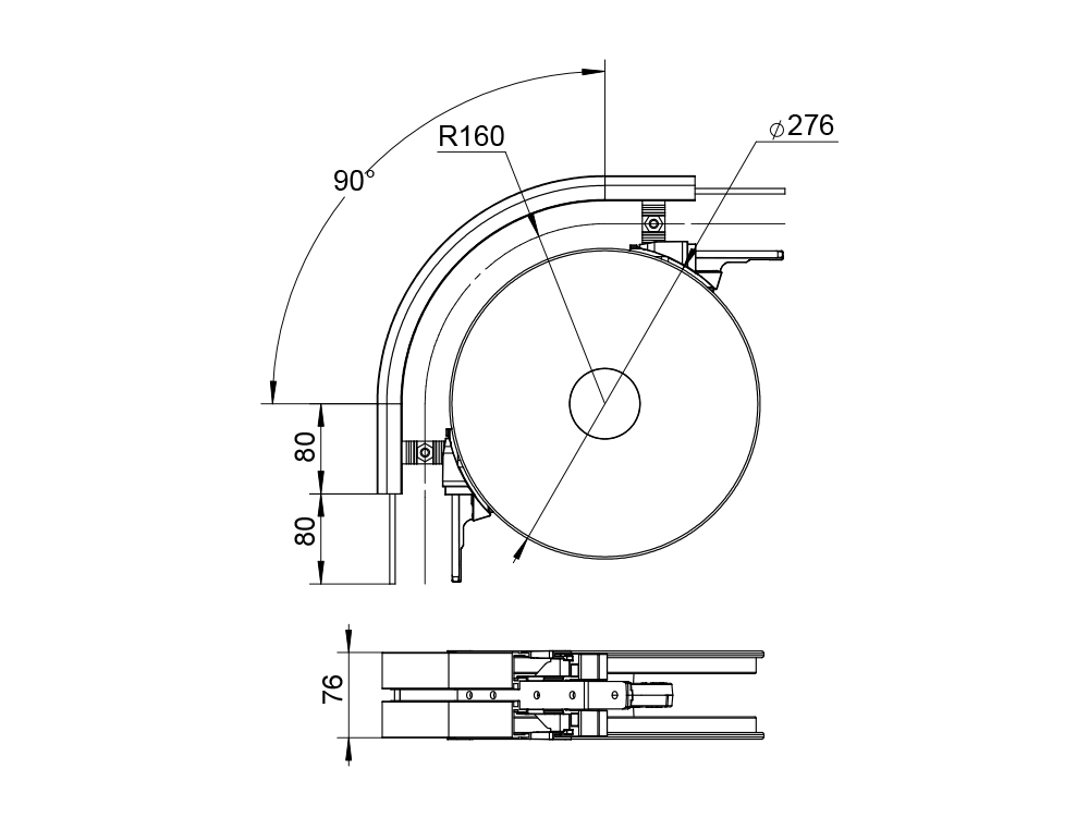
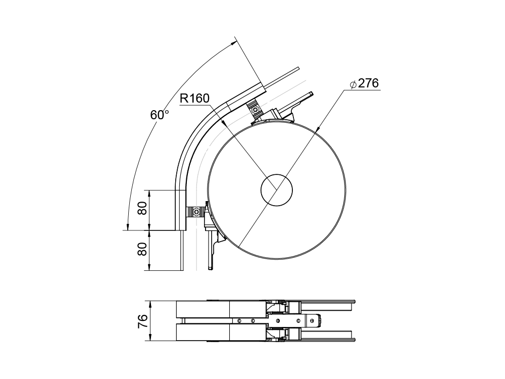
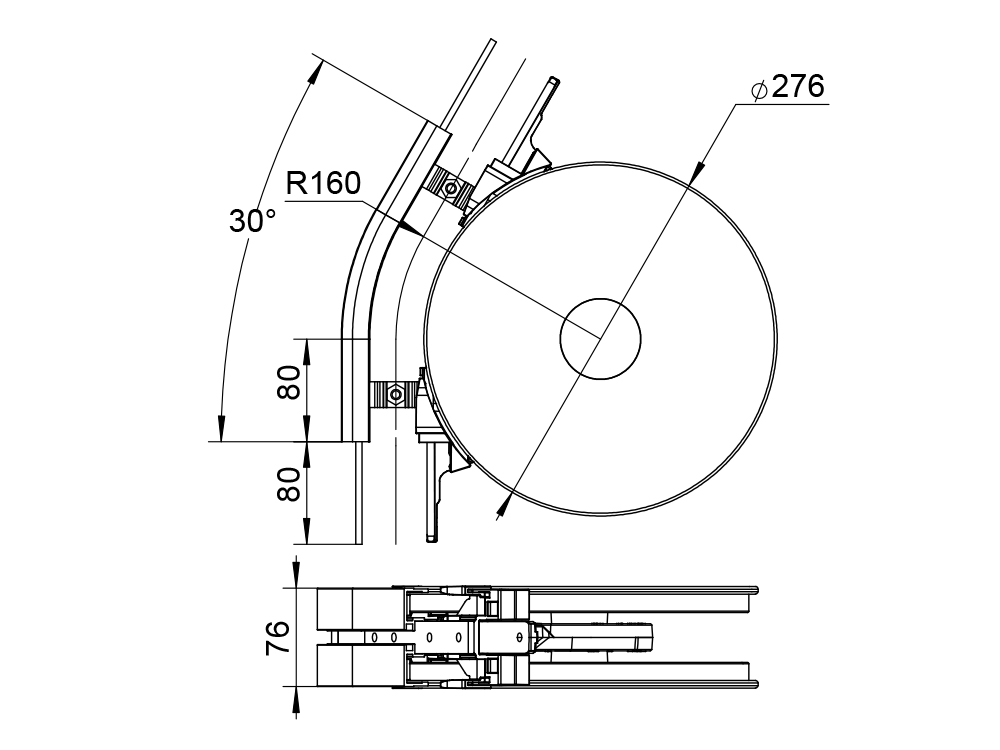
货物名称:85水平轮弯
货物编号:KFMBH85R160

  1. 1、适用于85输送梁系列,作为水平面转弯轨道部件,输送链最小转弯使用。
  2. 2、外侧型材配合塑料垫片卡扣,防止脱落。
  3. 3、外侧单层凹槽,用于连接条型材对接,也可布置紧固件。
型号 半径 角度 适应链板宽度
85水平轮弯 mm mm
KFMBH15R160 160 15°/30°/45°/60°/90°/180° 83
KFMBH30R160
KFMBH45R160
KFMBH60R160
KFMBH90R160
KFMBH180R160


上一篇:
下一篇: