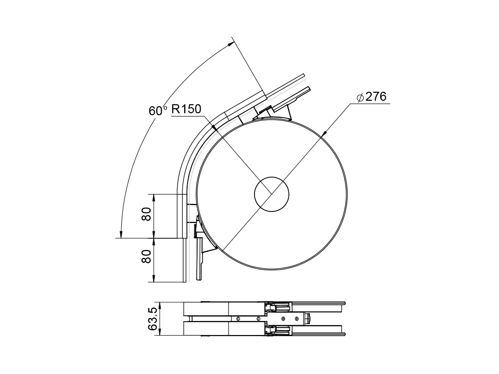
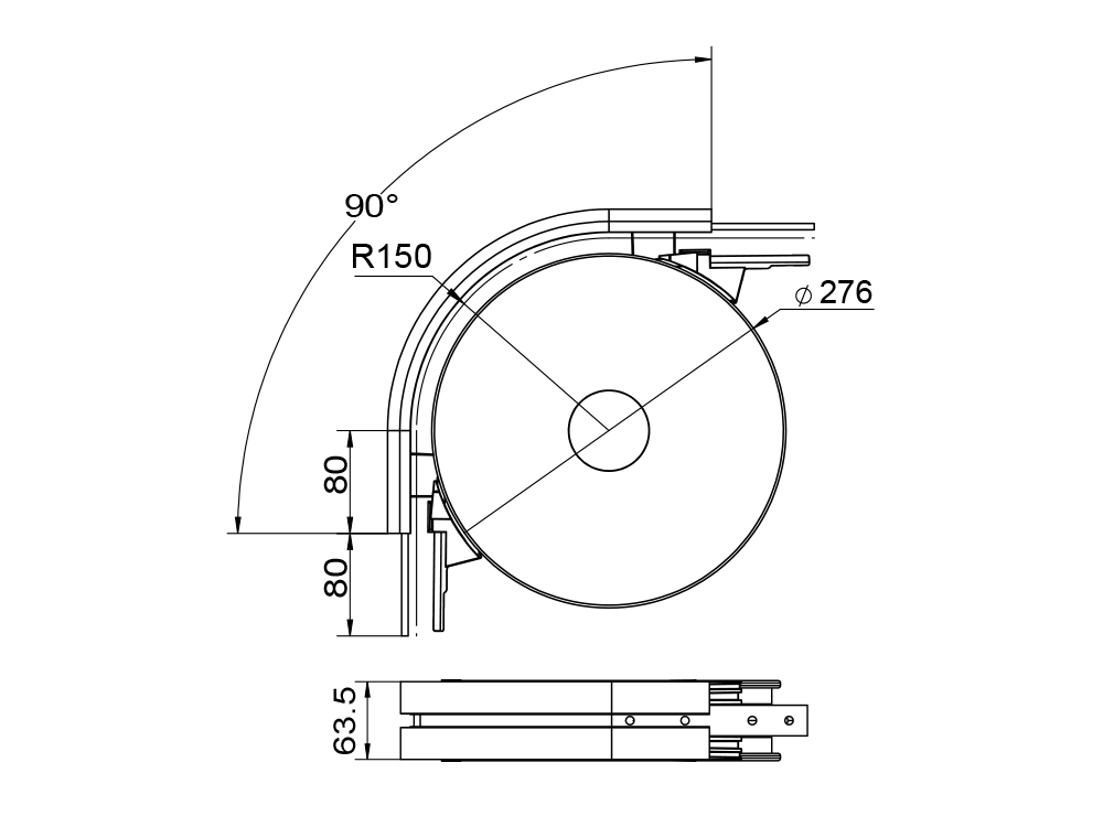
货物名称:65水平轮弯
货物编号:KFSBH65R150

  1. 1、适用于65输送梁系列,作为水平面转弯轨道部件,输送链最小转弯使用。
  2. 2、外侧型材配合塑料垫片卡扣,防止脱落。
  3. 3、外侧单层凹槽,用于连接条型材对接,也可布置紧固件。
型号 半径 角度 适应链板宽度
65水平轮弯 mm mm
KFSBH15R150 150 15°/30°/45°/60°/90°/180° 63
KFSBH30R150
KFSBH45R150
KFSBH60R150
KFSBH90R150
KFSBH180R150


上一篇:
下一篇: