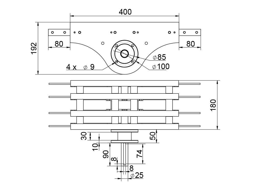
货物名称:180全封中间驱动
货物编号:KFB180EBM400-RV50
- 1、适用于KF-B 175输送链系列,作为输送链驱动装置。(月牙链无法使用)
- 2、伸出连接条可直接对接输送轨道,安装便捷。
- 3、电机减速机可直接对接法兰使用,电机较重时需考虑支撑。
- 4、此驱动标准轴为18/25轴,驱动轮材质为注塑轮或机加工轮。
- 5、头部位置受限,电机位置需后置时应用。
| 型号 |
材质 |
适应链板宽度 |
减速机型号 |
表面处理 |
| 180全封中间驱动 |
主体 |
驱动轴 |
mm |
| KFB180EBM400-RV50 |
SUS304 |
Cr13 |
175 |
RV50 |
喷塑 |
上一篇:180不锈钢从动下一篇:180半封中间驱动