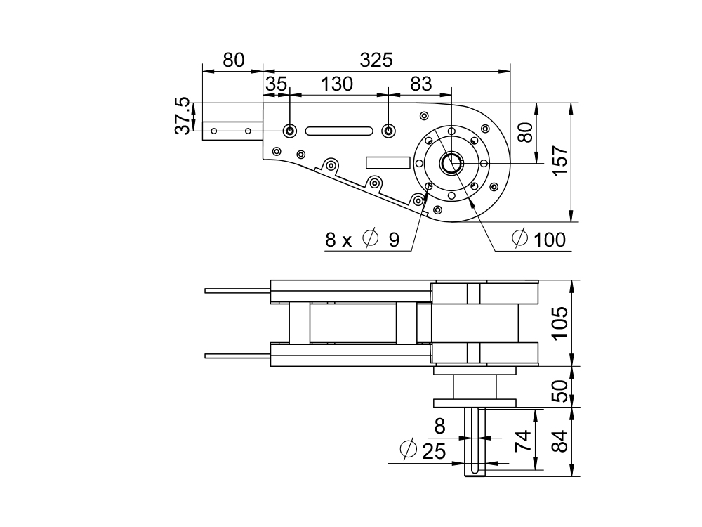
货物名称:105全封驱动
货物编号:KFHEB325-RV50

  1. 1、适用于KF-H 103输送链系列,作为输送链驱动装置。
  2. 2、伸出连接条可直接对接输送轨道,安装便捷。
  3. 3、电机减速机可直接对接法兰使用,电机较重时需考虑支撑。
  4. 4、此驱动标准轴为18/25轴,驱动轮材质为注塑轮或机加工轮。
型号 材质 适应链板宽度 减速机型号 表面处理
105全封驱动 主体 驱动轴 mm
KFHEB325-RV50 ADC12 Cr13 103 RV50 喷塑


上一篇:
下一篇:105半封驱动