- 1、适用于较小瓶罐等产品的平稳输送。
- 2、因背弯尺寸限制,无法适配全封中间驱动。
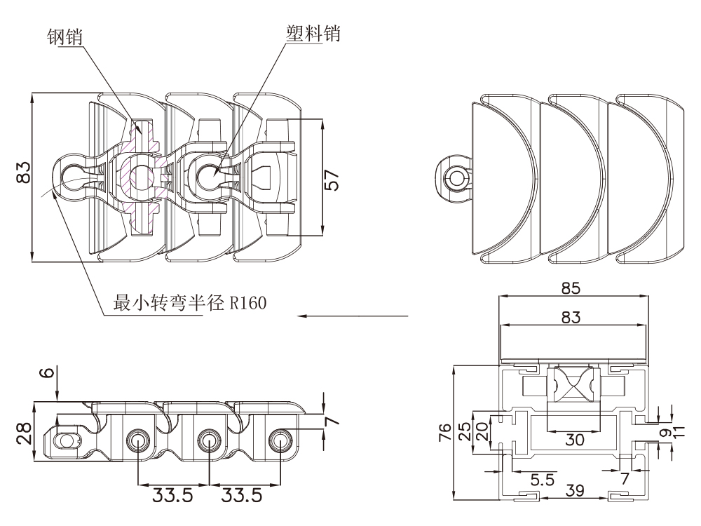
- 3、转弯输送时,间隙不发生大小变化。
- 4、83宽链板1米长由30小节单片链板组成。
- 5、柔性链板颜色可定制白色 / 蓝色,主体材质可定制 PP/POK,也可定制防静电需求。
| 型号 |
材质 |
钢销尺寸 |
宽度 |
节距 |
最小侧弯半径 |
重量 |
| 83月牙链 |
主体 |
塑料销轴 |
插销 |
mm |
mm |
mm |
mm |
kg/m |
| KFMTF83WF |
POM |
PA6 |
SUS201 |
5 |
83 |
33.5 |
160 |
1.26 |
上一篇:83满胶防滑链下一篇:83滚珠链